
A lot of parts and for some unknown reason, a large chromed sprue with the main drive wheels, cab floor, bits to the engine, etc. Have you ever seen a dozer with chrome valve covers and a chrome fan? I don't know who chromed their stuff, but it was tough. Well, half of it anyway. soaked it in straight bleach for a while. one side was completely removed. The other side barely touched. Rinsed that away, soacked it in 99% Isopropyl Alcohol, a bit more came off. Soacked it in the Stripwell paint/finish remover and I was able to get enough off usisng a couple of stiff brushes. Sheeesh.
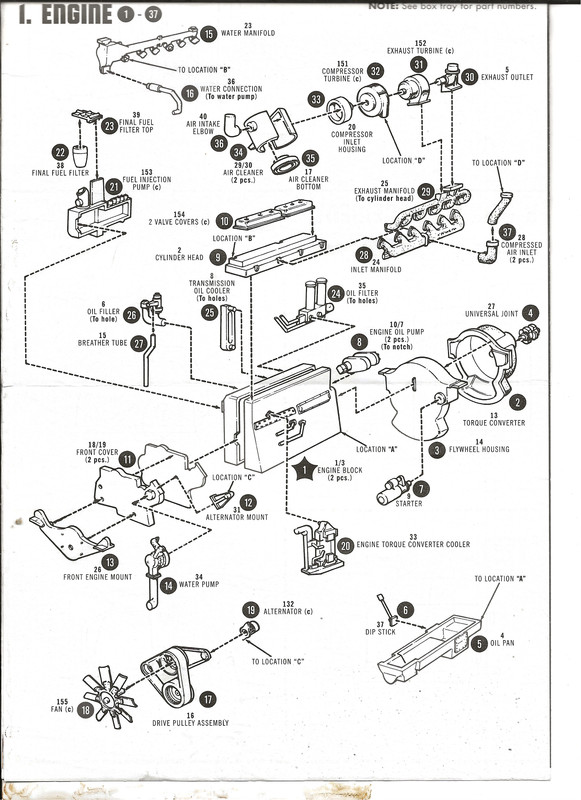
It has a large engine. That is the first assembly that is listed. Steps 1 to 37 and there are 42 parts. Here it is. Went together surprisingly well. Another nice touch is that none of the parts have the part number on the sprue tree. None. They printed a parts "map", though. It was kind of them to put it on the BOTTOM OF THE BOX







